| Signal de sortie | Signal CC de 4 à 20 mA linéaire avec une température comprise dans la plage |
| Précision de base | Transmetteur de température à thermocouple±0,5 % FS ; Transmetteur de température à résistance thermique ±0,2 % FS ; |
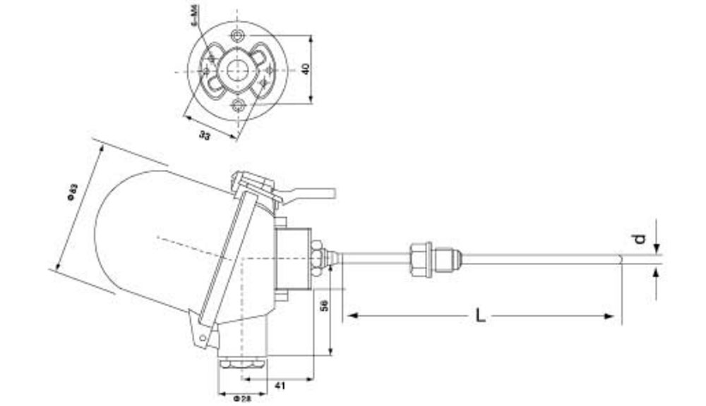
| Mode de transmission | système à deux fils |
| Alimentation CC | 12-30 V CC. tension nominale 24 V CC |
| Impédance de charge | Charge limite de résistance de charge calculée ; RL(max)=50(U-12) Dans la formule, l'émetteur est une tension d'alimentation continue Tension nominale inférieure à 24 V : RL(max)=50(24-12)=600Ω |
| Environnements d'exploitation normaux | a.Température ambiante : - 25℃~85℃ (exigence particulière - 40℃~90℃ ) b. Humidité relative : 5 %-95 % c.Vibrations mécaniques : 10-150 Hz. A=0,15 mm d. Aucun milieu n’a provoqué de corrosion de l’émetteur dans l’air ambiant. |
| Interférence électromagnétique | Lorsque l'émetteur radio de 20 à 1 000 MHz et 5 W à 0,5 mètre de l'émetteur fonctionne. Il doit varier ± 0,15 % FS. |
| Dérive de température | Lorsque la température ambiante varie de 1℃, le point zéro varie ±0,15 % FS et la plage de mesure change ± 0,01 % FS |
Utilisation et câblage
1. Avis au câblage : Veuillez noter que l'élément de détection de température a été bien connecté ainsi que la plage de mesure avant de quitter l'usine. En règle générale, veuillez ne pas régler le potentiomètre de réglage de la plage, sauf si cela est nécessaire.
2. Pour l'installation de TC et RTD intégrés, veuillez vous référer à d'autres instructions d'utilisation pour les mêmes types de TC et RTD.
3. Le TC et le RTD intégrés sont dotés d'une sortie de courant système à deux fils, de sorte que seuls deux conducteurs en cuivre doivent être nécessaires.
Exemple de commande
Veuillez indiquer le modèle,la graduation, la longueur totale et la profondeur insérée dans l'ordre, c'est-à-dire (L×I)
Exemple 1 : WRNKB-230 K 1150x1000
IE : Thermocouple gainé intégré à système à deux fils, installation à boulon fixe, boîtier de connexion étanche, diamètre extérieur Φ16 mm, graduation K, longueur totale 1150, profondeur insérée 1000 mm.
Exemple 2 : WZPKB-336 Pt100 L=1000
IE : Système à deux fils intégré gainé de platine résistance thermique, installation de boulon à virole mobile, boîtier de connexion étanche, diamètre extérieur, graduation Pt100, longueur totale 1000 mm.
Thermocouple et résistance thermique avec transmetteur de température
| Modèle | Marque de remise des diplômes | Plage de mesure(℃) | Tube de boîtier | ||
| Matériel | Diamètre du tube. | Spécification. | |||
| SBWZPR-231 | Pt100 | -50-400 | 1Cr18Ni9Ti、316 | Φ6-12 | 300×150 400×250 450×300 500×350 |
| SBWRNR-231 | R | 0-1000 | 1Cr18NiSTi、GH2520、316 | Φ6-12 | |
| Modèle | Marque de remise des diplômes | Plage de mesure(℃) | Tube de boîtier | ||
| Matrimonial | Diamètre du tube. | Spécification. | |||
| SBWZPK2-231 | Pt100 | -50-400 | 1Cr18Ni9Ti、316 | Φ6-12 | 550×400 600×450 650×500 700×550 750×600 800×650 1000×850 1150×1000 1350×1200 |
| SBWRNR2-231 | R | 0-1000 | 1Cr18Ni9Ti、GH2520、316 | Φ6-12 | |
Thermocouple et petite résistance thermique de type plug-in Hirschmann
| Modèle | Marque de remise des diplômes | Plage de mesure(℃) | Tube de boîtier | ||
| Matrimonial | Diamètre du tube. | Spécification. | |||
| SBWET-201 | Pt100 | -50-400 | 1Cr18Ni9Ti、316 | Φ4-12 | 50 100 150 200 300 400 500 |
| SBWET-200 | R | 0-800 | 1Cr18Ni9Ti、GH2520、316 | Φ4-12 | |
Jiangsu Zhaolong Electrics Co., Ltd. est une entreprise régionale de haute technologie et une base de production de capteurs de température et d'instruments de contrôle de température. Nous avons développé et produit conjointement une série de thermocouples (résistances thermiques) et d'électronique de contrôle de température avec de nombreuses institutions et académies de R&D à Shanghai. Ces produits sont commercialisables dans tout le pays et dans le monde, offrant un avantage en termes de rapport qualité-prix. Nos produits jouissent d'une réputation reconnue sur le marché et gagnent la confiance des clients en raison de leurs excellentes performances, de leur apparence attrayante, de leur grande fiabilité, de leur technologie avancée et de leurs bons rapports qualité-prix.
Grâce à une solide équipe de développement technique et aux résultats des brevets, nous pouvons entreprendre des activités pour des spécifications normales et spéciales, et pouvons concevoir et installer divers boîtiers de contrôle automatique de température et salles de contrôle de température à grande et petite échelle ainsi que des systèmes de contrôle de température de surveillance à distance pour les clients.
Le 7ᵉ Salon international de la technologie et de l’équipement de chauffage électrique de Taizhou s’est achevé sur une n...
En Savoir PlusDans le domaine des applications chimiques, les transmetteurs de pression jouent un rôle très important et sont large...
En Savoir PlusLes conseils de sécurité pour l’utilisation de capteurs à thermocouple comprennent une installation appropriée pour é...
En Savoir PlusDans de nombreuses industries, le maintien de niveaux de pression précis et constants est crucial pour le fonctionnem...
En Savoir Plus